Ball Screw specifications

Lead (mm)

20

BCD (mm)

26

Thread minor diameter  (mm)

21.9

Threading direction/
no. of threaded grooves

Right-hand, 2

No. of circuits

2 rows X 1.8 turns

Clearance symbol

G0

GT

G2

Axial clearance (mm)

0

0.005 Max

0.02 Max

Basic dynamic load rating Ca(kN)

10.5

16.7

Basic static load rating C0a(kN)

19.0

38.0

Preload torque (N·m)

4.9×10-2¡­2.2×10-1

-

Spacer ball

1:1

None

 

 

 

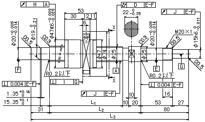
Unit : mm

1kN¡Ö102kgf

 

Ball Screw model No.

Stroke

Screw-shaft length

Screw-shaft
longitudinal-axis
runout

D

Nut
circumferential
runout

H

Flange
perpen-
dicularity

I

Shaft
thread
runout

J

L1

L2

L3

BNK 2520-3.6G0+751LC5Y

500

610

640

751

0.055

0.015

0.011

0.013

BNK 2520-3.6G2+751LC7Y

0.070

0.030

0.018

0.020

BNK 2520-3.6G0+851LC5Y

600

710

740

851

0.065

0.015

0.011

0.013

BNK 2520-3.6G2+851LC7Y

0.085

0.030

0.018

0.020

BNK 2520-3.6G0+1051LC5Y

800

910

940

1051

0.085

0.015

0.011

0.013

BNK 2520-3.6G2+1051LC7Y

0.100

0.030

0.018

0.020

BNK 2520-3.6G0+1251LC5Y

1000

1110

1140

1251

0.110

0.015

0.011

0.013

BNK 2520-3.6G2+1251LC7Y

0.130

0.030

0.018

0.020

BNK 2520-3.6G0+1451LC5Y

1200

1310

1340

1451

0.110

0.015

0.011

0.013

BNK 2520-3.6G2+1451LC7Y

0.130

0.030

0.018

0.020

BNK 2520-3.6G0+1651LC5Y

1400

1510

1540

1651

0.140

0.015

0.011

0.013

BNK 2520-3.6G2+1651LC7Y

0.170

0.030

0.018

0.020

BNK 2520-3.6G0+1851LC5Y

1600

1710

1740

1851

0.140

0.015

0.011

0.013

BNK 2520-3.6G2+1851LC7Y

0.170

0.030

0.018

0.020