Ball Screw specifications

Lead (mm)

4

BCD (mm)

10.5

Thread minor diameter (mm)

7.8

Threading direction/
no. of threaded grooves

Right-hand, 1

No. of circuits

1 rowX 2.5 turns

Clearance symbol

G0

GT

G2

Axial clearance (mm)

0

0.005 Max

0.02 Max

Basic dynamic load rating Ca(kN)

2.1

3.4

Basic static load rating C0a(kN)

2.7

5.4

Preload torque  (N·m)

9.8×10-2
¡­4.96X10-2

-

Spacer ball

1:1

None

 

 

 

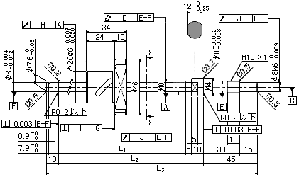
Unit : mm

1kN¡Ö102kgf

 

Ball Screw model No.

Stroke

Screw-shaft length

Screw-shaft
longitudinal-axis
runout

D

Nut
circumferential
runout

H

Flange
perpen-
dicularity

I

Shaft
thread
runout

J

L1

L2

L3

BNK 1004-2.5RRG0 + 180LC3Y

50

110

125

180

0.020

0.009

0.008

0.008

BNK 1004-2.5RRG0 + 180LC5Y

0.035

0.012

0.010

0.011

BNK 1004-2.5RRG2 + 180LC7Y

0.040

0.020

0.014

0.014

BNK 1004-2.5RRG0 + 230LC3Y

100

160

175

230

0.030

0.009

0.008

0.008

BNK 1004-2.5RRG0 + 230LC5Y

0.040

0.012

0.010

0.011

BNK 1004-2.5RRG2 + 230LC7Y

0.055

0.020

0.014

0.014

BNK 1004-2.5RRG0 + 280LC3Y

150

210

225

280

0.030

0.009

0.008

0.008

BNK 1004-2.5RRG0 + 280LC5Y

0.040

0.012

0.010

0.011

BNK 1004-2.5RRG2 + 280LC7Y

0.055

0.020

0.014

0.014

BNK 1004-2.5RRG0 + 330LC3Y

200

260

275

330

0.040

0.009

0.008

0.008

BNK 1004-2.5RRG0 + 330LC5Y

0.050

0.012

0.010

0.011

BNK 1004-2.5RRG2 + 330LC7Y

0.065

0.020

0.014

0.014

BNK 1004-2.5RRG0 + 380LC3Y

250

310

325

380

0.040

0.009

0.008

0.008

BNK 1004-2.5RRG0 + 380LC5Y

0.050

0.012

0.010

0.011

BNK 1004-2.5RRG2 + 380LC7Y

0.065

0.020

0.014

0.014