Ball Screw specifications

Lead (mm)

2

BCD (mm)

8.3

Thread minor diameter (mm)

7.0

Threading direction/
no. of threaded grooves

Right-hand, 1

No. of circuits

3 rowsX 1 turn

Clearance symbol

G0

GT

G2

Axial clearance (mm)

0

0.005 Max

0.02 Max

Basic dynamic load rating Ca(kN)

1.4

Basic static load rating C0a(kN)

2.3

Preload torque  (N·m)

¡­2.0×10-2

-

Spacer ball

None

 

 

 

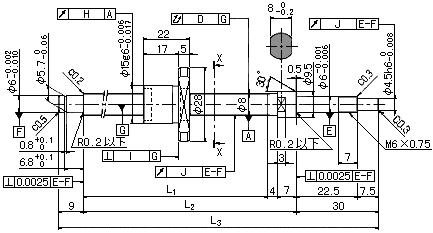
Unit : mm

1kN¡Ö102kgf

 

Ball Screw model No.

Stroke

Screw-shaft length

Screw-shaft
longitudinal-axis
runout

D

Nut
circumferential
runout

H

Flange
perpen-
dicularity

I

Shaft
thread
runout

J

L1

L2

L3

BNK 0802-3RRG0 + 125LC3Y

40

75

86

125

0.025

0.009

0.008

0.008

BNK 0802-3RRG0 + 125LC5Y

0.025

0.012

0.010

0.010

BNK 0802-3RRG2 + 125LC7Y

0.035

0.020

0.014

0.014

BNK 0802-3RRG0 + 155LC3Y

70

105

116

155

0.030

0.009

0.008

0.008

BNK 0802-3RRG0 + 155LC5Y

0.035

0.012

0.010

0.010

BNK 0802-3RRG2 + 155LC7Y

0.050

0.020

0.014

0.014

BNK 0802-3RRG0 + 185LC3Y

100

135

146

185

0.030

0.009

0.008

0.008

BNK 0802-3RRG0 + 185LC5Y

0.035

0.012

0.010

0.010

BNK 0802-3RRG2 + 185LC7Y

0.050

0.020

0.014

0.014

BNK 0802-3RRG0 + 235LC3Y

150

185

196

235

0.035

0.009

0.008

0.008

BNK 0802-3RRG0 + 235LC5Y

0.050

0.012

0.010

0.010

BNK 0802-3RRG2 + 235LC7Y

0.065

0.020

0.014

0.014