|
New developed flexible disk coupling realized the servo system perfectly by securing the flexibility and increase the number of mounting hole and maximing the mobility space of sus disk plate.
We consider each component most carefully and make the disk together with bush by one package in order to long life time of disk.
The outside diameter size of bush is bigger than outside diameter size of hole and disk shape is similar with shape of R. so this product has durability about big torsion because of these features.
New flexible disk coupling is constructed by package of same sus disk and bush. This product is protected from load and the form of disk is not changed by making into one package
We assemble new flexible disk coupling perfectly.
We measure and adjust concentricity every process so new flexible disk coupling of SI is assembled completely by adjusting concentricity perfectly.
There is a hole in outside diameter part in order to assemble easily and prevent the coupling moving when you assembly the taper clamp type
| Material |
| Anodizing (AL 7075-T6) |
| |
* Application of new developed and high quality disk file * Compact Design * High Speed * High Torque * High Torsion Rigidity * Zero Backlash * Low inertia Moment * Retain of 1/10 Taper Bushing |
|


|
| |
|
|
|
¢º
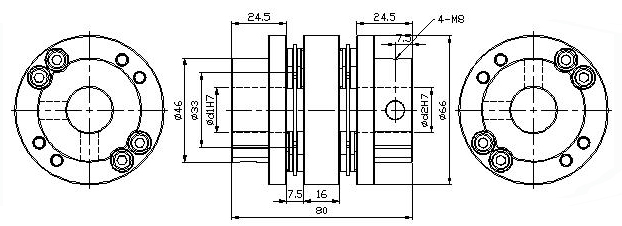
High Torque Flexible Disk Coupling :SHDS / SHDW ( Set Screw type)
|
|
| |
|

|
|
|
|
|
.jpg)
|
| |
|
Model No.
|
Ød1, d2
|
Wrench Torque(N.m)
|
Rated Torque(N.m)
|
Max Torque(N.m)
|
Max RPM(min)
|
Moment of Inertia(kg.m2)
|
Torsional Stiffness (N.m/rad)
|
Allowance Angle(°)
|
Allowance Parallel (±mm)
|
|
SHDS-56
|
10~25
|
6
|
30
|
60
|
8,200
|
2.9x10-5
|
2.0x104
|
0.7
|
0
|
|
| |
|

|
| |
|
Model No.
|
Ød1, d2
|
Wrench Torque(N.m)
|
Rated Torque(N.m)
|
Max Torque(N.m)
|
Max RPM(min)
|
Moment of Inertia(kg.m2)
|
Torsional Stiffness (N.m/rad)
|
Allowance Angle(°)
|
Allowance Parallel (±mm)
|
|
SHDW-56
|
10~25
|
6
|
30
|
60
|
8,200
|
4.6x10-5
|
1.0x104
|
1
|
0.3
|
|
| |
|

|
|
|
|
Model No.
|
Ød1, d2
|
Wrench Torque(N.m)
|
Rated Torque(N.m)
|
Max Torque(N.m)
|
Max RPM(min)
|
Moment of Inertia(kg.m2)
|
Torsional Stiffness (N.m/rad)
|
Allowance Angle(°)
|
Allowance Parallel (±mm)
|
|
SHDS-66
|
15~32
|
15.7
|
60
|
120
|
7,500
|
8.0x10-5
|
8.0x104
|
0.7
|
0
|
|
|
|
|

|
| |
|
Model No.
|
Ød1, d2
|
Wrench Torque(N.m)
|
Rated Torque(N.m)
|
Max Torque(N.m)
|
Max RPM(min)
|
Moment of Inertia(kg.m2)
|
Torsional Stiffness (N.m/rad)
|
Allowance Angle(°)
|
Allowance Parallel (±mm)
|
|
SHDW-66
|
15~32
|
15.7
|
60
|
120
|
7,500
|
1.2x10-4
|
4.0x104
|
1
|
0.3
|
|
| |
|

|
| |
|
Model No.
|
Ød1, d2
|
Wrench Torque(N.m)
|
Rated Torque(N.m)
|
Max Torque(N.m)
|
Max RPM(min)
|
Moment of Inertia(kg.m2)
|
Torsional Stiffness (N.m/rad)
|
Allowance Angle(°)
|
Allowance Parallel (±mm)
|
|
SHDS-88
|
20~45
|
28
|
120
|
200
|
6,500
|
2.9x10-4
|
2.6x105
|
0.7
|
0
|
|
| |
|

|
| |
|
Model No.
|
Ød1, d2
|
Wrench Torque(N.m)
|
Rated Torque(N.m)
|
Max Torque(N.m)
|
Max RPM(min)
|
Moment of Inertia(kg.m2)
|
Torsional Stiffness (N.m/rad)
|
Allowance Angle(°)
|
Allowance Parallel (±mm)
|
|
SHDW-88
|
20~45
|
28
|
120
|
200
|
6,500
|
4.3x10-4
|
1.3x105
|
1
|
0.3
|
|
| |
|

|
| |
|
|
¢º
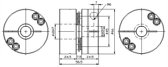
High Torque Flexible Disk Coupling :SHDS -C / SHDW-C ( Clamp type)
|
|
|
|
|

|
| |
|
|
|
.jpg)
|
| |
|
Model No.
|
Ød1, d2
|
Wrench Torque(N.m)
|
Rated Torque(N.m)
|
Max Torque(N.m)
|
Max RPM(min)
|
Moment of Inertia(kg.m2)
|
Torsional Stiffness (N.m/rad)
|
Allowance Angle(°)
|
Allowance Parallel (±mm)
|
|
SHDS-56C
|
10~25
|
15
|
30
|
60
|
7,700
|
4.0x10-5
|
2.0x104
|
0.7
|
0
|
|
| |
|

|
| |
|
Model No.
|
Ød1, d2
|
Wrench Torque(N.m)
|
Rated Torque(N.m)
|
Max Torque(N.m)
|
Max RPM(min)
|
Moment of Inertia(kg.m2)
|
Torsional Stiffness (N.m/rad)
|
Allowance Angle(°)
|
Allowance Parallel (±mm)
|
|
SHDW-56C
|
10~25
|
13
|
30
|
60
|
7,700
|
5.8x10-5
|
1.0x104
|
1
|
0.3
|
|
| |
|

|
|
|
|
Model No.
|
Ød1, d2
|
Wrench Torque(N.m)
|
Rated Torque(N.m)
|
Max Torque(N.m)
|
Max RPM(min)
|
Moment of Inertia(kg.m2)
|
Torsional Stiffness (N.m/rad)
|
Allowance Angle(°)
|
Allowance Parallel (±mm)
|
|
SHDS-66C
|
15~32
|
13
|
60
|
120
|
7,000
|
1.0x10-4
|
8.0x104
|
0.7
|
0
|
|
|
|
|

|
| |
|
Model No.
|
Ød1, d2
|
Wrench Torque(N.m)
|
Rated Torque(N.m)
|
Max Torque(N.m)
|
Max RPM(min)
|
Moment of Inertia(kg.m2)
|
Torsional Stiffness (N.m/rad)
|
Allowance Angle(°)
|
Allowance Parallel (±mm)
|
|
SHDW-66C
|
15~32
|
13
|
60
|
120
|
7,000
|
1.4x10-4
|
4.0x104
|
1
|
0.3
|
|
| |
|

|
| |
|
Model No.
|
Ød1, d2
|
Wrench Torque(N.m)
|
Rated Torque(N.m)
|
Max Torque(N.m)
|
Max RPM(min)
|
Moment of Inertia(kg.m2)
|
Torsional Stiffness (N.m/rad)
|
Allowance Angle(°)
|
Allowance Parallel (±mm)
|
|
SHDS-88C
|
20~45
|
30
|
120
|
200
|
6,000
|
4.3x10-4
|
2.6x105
|
0.7
|
0
|
|
| |
|

|
| |
|
Model No.
|
Ød1, d2
|
Wrench Torque(N.m)
|
Rated Torque(N.m)
|
Max Torque(N.m)
|
Max RPM(min)
|
Moment of Inertia(kg.m2)
|
Torsional Stiffness (N.m/rad)
|
Allowance Angle(°)
|
Allowance Parallel (±mm)
|
|
SHDW-88C
|
20~45
|
30
|
120
|
200
|
6,000
|
5.7x10-4
|
1.3x105
|
1
|
0.3
|
|
| |
|

|
| |
|
|
¢º
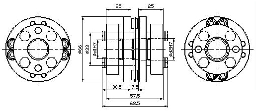
High Torque Flexible Disk Coupling :SHDS-T / SHDW-T ( Taper type)
|
|
| |
|

|
|
|
|
Model No.
|
Ød1, d2
|
Wrench Torque(N.m)
|
Rated Torque(N.m)
|
Max Torque(N.m)
|
Max RPM(min)
|
Moment of Inertia(kg.m2)
|
Torsional Stiffness (N.m/rad)
|
Allowance Angle(°)
|
Allowance Parallel (±mm)
|
|
SHDS-56T
|
10~25
|
8
|
30
|
60
|
7,700
|
3.6x10-5
|
1.4x104
|
0.7
|
0
|
|
| |
|

|
| |
|
Model No.
|
Ød1, d2
|
Wrench Torque(N.m)
|
Rated Torque(N.m)
|
Max Torque(N.m)
|
Max RPM(min)
|
Moment of Inertia(kg.m2)
|
Torsional Stiffness (N.m/rad)
|
Allowance Angle(°)
|
Allowance Parallel (±mm)
|
|
SHDW-56T
|
10~25
|
8
|
30
|
60
|
7,700
|
4.4x10-5
|
0.7x104
|
1
|
0.3
|
|
| |
|

|
|
|
|
Model No.
|
Ød1, d2
|
Wrench Torque(N.m)
|
Rated Torque(N.m)
|
Max Torque(N.m)
|
Max RPM(min)
|
Moment of Inertia(kg.m2)
|
Torsional Stiffness (N.m/rad)
|
Allowance Angle(°)
|
Allowance Parallel (±mm)
|
|
SHDS-66T
|
15~32
|
13
|
60
|
120
|
7,000
|
8.6x10-5
|
6.5x104
|
0.7
|
0
|
|
|
|
|

|
| |
|
Model No.
|
Ød1, d2
|
Wrench Torque(N.m)
|
Rated Torque(N.m)
|
Max Torque(N.m)
|
Max RPM(min)
|
Moment of Inertia(kg.m2)
|
Torsional Stiffness (N.m/rad)
|
Allowance Angle(°)
|
Allowance Parallel (±mm)
|
|
SHDW-66T
|
15~32
|
13
|
60
|
120
|
7,000
|
1.2x10-4
|
3.3x104
|
1
|
0.3
|
|
| |
|

|
| |
|
Model No.
|
Ød1, d2
|
Wrench Torque(N.m)
|
Rated Torque(N.m)
|
Max Torque(N.m)
|
Max RPM(min)
|
Moment of Inertia(kg.m2)
|
Torsional Stiffness (N.m/rad)
|
Allowance Angle(°)
|
Allowance Parallel (±mm)
|
|
SHDS-88T
|
20~45
|
13
|
120
|
200
|
6,000
|
3.2x10-4
|
2.0x105
|
0.7
|
0
|
|
| |
|

|
| |
|
Model No.
|
Ød1, d2
|
Wrench Torque(N.m)
|
Rated Torque(N.m)
|
Max Torque(N.m)
|
Max RPM(min)
|
Moment of Inertia(kg.m2)
|
Torsional Stiffness (N.m/rad)
|
Allowance Angle(°)
|
Allowance Parallel (±mm)
|
|
SHDW-88T
|
20~45
|
13
|
120
|
200
|
6,000
|
4.6x10-4
|
1.0x105
|
1
|
0.3
|
|
| |
|

|
| |
|