|
ZERO
BACKLASH DISK COUPLING
DISC COUPLING is a uni-body type which provides a
extensive twisting hardness and prominent mobility. Disc coupling is a high precision coupling one can expect the
life-time longevity. Disc Coupling is able to rotate with
high speed to a single direction or bidirectionally and is used
often mainly in high-precision measuring equipments, high speed
movement control systems, critical loads, dynameters precision
encoders and etc.
Feature
- Designed for enduring high twisting
hardness - No influence from backlash and providing long
life - Accepting parallel, angular, shaft in-between -
Single-and Double-Stage types - Uni-body metal
structure - Less inertia
爽
- Servo motor, Stepping motor,
Precision motor - High precision encoder, Dynamo drive
- High speed, high precision position control sytem
centrifugal separtor - Copy machine, information &
Communication, Audio products |
|
|
|
|
|
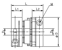
SDW,SDA
(SET SCREW TYPE)
|
SDW-C,
SDA-C (CLAMP TYPE)
|
|
|
Product
No.
|
DIMENSION(±0.3)
|
Weight (gr)
|
Rated Torque kgf-cm
|
Static
Torsional Stiffness Nm/rad
|
Max RPM min
|
Moment of
Inertia kgf-cm2
|
Max Misalignment
|
Stock
Bores d1
d2
|
|
)D1
|
L1L2
|
L
|
M
|
Errors
of Angularity
|
Errors
of Eccentricity
|
Errors
of Shaft End-Play
|
|
SDWA22
|
22.2
|
6.2
|
19.7
|
M3X2
|
16
|
10
|
400
|
15000
|
0.01/0.04
|
3°
|
0.25
|
0.5
|
)4~)6.35
|
|
SDWB22
|
22.2
|
6.2
|
22.2
|
M3X2
|
17
|
10
|
400
|
15000
|
0.012/0.05
|
3°
|
0.3
|
0.5
|
)4~)6.35
|
|
SDA22
|
22.2
|
6.2
|
28.2
|
M3X2
|
18
|
10
|
400
|
15000
|
0.013/0.05
|
3°
|
0.5
|
0.5
|
)4~)6.35
|
|
SDWA22C
|
22.2
|
8.6
|
24
|
M2.6
|
18
|
10
|
400
|
15000
|
0.013/0.05
|
3°
|
0.25
|
0.5
|
)4~)6.35
|
|
SDWB22C
|
22.2
|
8.6
|
26.4
|
M2.6
|
19
|
10
|
400
|
15000
|
0.013/0.032
|
3°
|
0.3
|
0.5
|
)4~)6.35
|
|
SDA22C
|
22.2
|
8.6
|
32.4
|
M2.6
|
20
|
10
|
400
|
15000
|
0.014/0.056
|
3°
|
0.5
|
0.5
|
)4~)6.35
|
|
SDWA26
|
26.6
|
7.3
|
25.5
|
M4X2
|
28
|
15
|
600
|
15000
|
0.023/0.11
|
3°
|
0.3
|
0.5
|
)5~)10
|
|
SDA26
|
26.6
|
7.3
|
31.2
|
M4X2
|
32
|
15
|
600
|
15000
|
0.032/0.13
|
3°
|
0.5
|
0.5
|
)5~)10
|
|
SDWA26C
|
26.6
|
10.7
|
32
|
M3
|
34
|
15
|
600
|
15000
|
0.034/0.14
|
3°
|
0.3
|
0.5
|
)5~)10
|
|
SDA26C
|
26.6
|
10.7
|
38
|
M3
|
39
|
15
|
600
|
15000
|
0.039/0.16
|
3°
|
0.5
|
0.5
|
)5~)10
|
|
SDWA31
|
31.8
|
7
|
23.8
|
M4X2
|
30
|
30
|
1300
|
15000
|
0.043/0.17
|
3°
|
0.25
|
0.5
|
)6~)14
|
|
SDWB31
|
31.8
|
7
|
28.6
|
M4X2
|
38
|
30
|
1300
|
15000
|
0.055/0.22
|
3°
|
0.3
|
0.5
|
)6~)14
|
|
SDA31
|
31.8
|
7
|
35.3
|
M4X2
|
38
|
30
|
1300
|
15000
|
0.055/0.22
|
3°
|
0.5
|
0.5
|
)6~)14
|
|
SDWA31C
|
31.8
|
11.6
|
33
|
M3
|
52
|
30
|
1300
|
15000
|
0.015/0.3
|
3°
|
0.25
|
0.5
|
)6~)14
|
|
SDWB31C
|
31.8
|
11.6
|
38
|
M3
|
60
|
30
|
1300
|
15000
|
0.087/0.35
|
3°
|
0.3
|
0.5
|
)6~)14
|
|
SDA31C
|
31.8
|
11.6
|
44.5
|
M3
|
60
|
30
|
1300
|
15000
|
0.087/0.35
|
3°
|
0.5
|
0.5
|
)6~)14
|
|
SDWA39C
|
39
|
13.6
|
39
|
M4
|
95
|
60
|
1,500
|
15000
|
0.21/0.85
|
3°
|
0.2
|
0.5
|
)6~)16
|
|
SDWC39C
|
39
|
13.6
|
44.8
|
M4
|
110
|
60
|
1,500
|
15000
|
0.24/1.0
|
3°
|
0.3
|
0.5
|
)6~)16
|
|
SDA39C
|
39
|
13.6
|
56.2
|
M4
|
120
|
60
|
1,500
|
15000
|
0.3/1.06
|
3°
|
0.4
|
0.5
|
)6~)16
|
|
SDWC42C
|
42.5
|
13.6
|
46
|
M4
|
120
|
75
|
1600
|
15000
|
0.32/1.28
|
3°
|
0.3
|
0.5
|
)8~)18
|
|
SDWC47C
|
47
|
16
|
49.6
|
M4
|
160
|
110
|
2000
|
15000
|
0.52/2.08
|
3°
|
0.4
|
0.5
|
)10~)19
|
|
SDWA54C
|
54
|
19
|
52
|
M5
|
250
|
230
|
2,600
|
10000
|
1.04/4.15
|
3°
|
0.3
|
0.5
|
)12~)25
|
|
SDWC54C
|
54
|
19
|
58
|
M5
|
280
|
230
|
2,600
|
10000
|
1.16/4.64
|
3°
|
0.4
|
0.5
|
)12~)25
|
|

|
|
|
Product
No.
|
DIMENSION(±0.3)
|
Weight (gr)
|
Rated Torque kgf-cm
|
Static
Torsional Stiffness Nm/rad
|
Max RPM min
|
Moment of
Inertia kgf-cm2
|
Max Misalignment
|
Stock
Bores d1
d2
|
|
D1
|
D2
|
L1L2
|
L
|
M
|
Errors
of Angularity
|
Errors
of Eccentricity
|
Errors
of Shaft end-play
|
|
SDS42
|
42.5
|
29.2
|
13.5
|
30
|
M4
|
65
|
75
|
2800
|
15000
|
0.17(0.66)
|
1.5°
|
0
|
0.25
|
)6~)15
|
|
SDWA42
|
42.5
|
29.2
|
13.5
|
39
|
M4
|
84
|
75
|
1600
|
15000
|
0.21(0.85)
|
3°
|
0.25
|
0.5
|
)6~)15
|
|
SDWB42
|
42.5
|
29.2
|
13.5
|
44
|
M4
|
94
|
75
|
1600
|
15000
|
0.24(0.94)
|
3°
|
0.25
|
0.5
|
)6~)15
|
|
SDAA42
|
42.5
|
29.2
|
13.5
|
50.2
|
M4
|
105
|
75
|
2000
|
15000
|
0.27(1.05)
|
3°
|
0.5
|
0.5
|
)6~)15
|
|
SDAB42
|
42.5
|
29.2
|
13.5
|
57.5
|
M4
|
110
|
75
|
2000
|
15000
|
0.28(1.10)
|
3°
|
0.7
|
0.5
|
)6~)15
|
|
SDAC42
|
42.5
|
29.2
|
13.5
|
67
|
M4
|
115
|
75
|
2000
|
15000
|
0.29(1.15)
|
3°
|
1
|
0.5
|
)6~)15
|
|
SDS47
|
47
|
33
|
14
|
31
|
M5
|
91
|
110
|
3400
|
15000
|
0.27(1.12)
|
1.5°
|
0
|
0.25
|
)8~)19
|
|
SDWA47
|
47
|
33
|
14
|
39
|
M5
|
115
|
110
|
2000
|
15000
|
0.34(1.41)
|
3°
|
0.25
|
0.5
|
)8~)19
|
|
SDWB47
|
47
|
33
|
14
|
45
|
M5
|
120
|
110
|
2000
|
15000
|
0.36(1.48)
|
3°
|
0.4
|
0.5
|
)8~)19
|
|
SDAA47
|
47
|
33
|
14
|
57.5
|
M5
|
140
|
110
|
2850
|
15000
|
0.42(1.73)
|
3°
|
0.6
|
0.5
|
)8~)19
|
|
SDAB47
|
47
|
33
|
14
|
84
|
M5
|
160
|
110
|
2850
|
15000
|
0.47(1.98)
|
3°
|
1.4
|
0.5
|
)8~)19
|
|
SDS54
|
54
|
38.5
|
19
|
42
|
M5
|
130
|
230
|
4800
|
15000
|
0.49(1.96)
|
1.5°
|
0
|
0.25
|
)10~)20
|
|
SDWA54
|
54
|
38.5
|
19
|
55
|
M5
|
177
|
230
|
2800
|
15000
|
0.67(2.67)
|
3°
|
0.25
|
0.5
|
)10~)20
|
|
SDAA54
|
54
|
38.5
|
19
|
70
|
M5
|
230
|
230
|
4000
|
15000
|
0.88(3.45)
|
3°
|
0.7
|
0.5
|
)10~)20
|
|
SDAB54
|
54
|
38.5
|
19
|
84
|
M5
|
250
|
230
|
4000
|
15000
|
1.04(4.15)
|
3°
|
1.2
|
0.5
|
)10~)20
|
|
SDS64
|
64
|
48
|
26
|
58
|
M8
|
292
|
310
|
6000
|
15000
|
1.72(6.94)
|
1.5°
|
0
|
0.25
|
)12~)28
|
|
SDWA64
|
64
|
48
|
26
|
41.2
|
M8
|
373
|
310
|
4100
|
15000
|
2.2(8.8)
|
3°
|
0.4
|
0.5
|
)12~)28
|
|
SDA64
|
64
|
48
|
26
|
89.2
|
M8
|
450
|
310
|
5200
|
15000
|
2.66(10.62)
|
3°
|
0.9
|
0.5
|
)12~)28
|
|

|
|
Product
No.
|
DIMENSION(±0.3)
|
Weight (gr)
|
Rated Torque kgf-cm
|
Static
Torsional Stiffness Nm/rad
|
Max RPM min
|
Moment of
Inertia kgf-cm2
|
Max Misalignment
|
Stock
Bores d1
d2
|
|
D1
|
D2
|
L1L2
|
L
|
M
|
Errors
of angularity
|
Errors
of eccentricity
|
Errors
of Shaft end-play
|
|
SDS42C
|
42.5
|
29.2
|
13.5
|
30
|
M3
|
65
|
75
|
2800
|
15000
|
0.17(0.66)
|
1.5°
|
0
|
0.25
|
)6~)15
|
|
SDWA42C
|
42.5
|
29.2
|
13.5
|
39
|
M3
|
84
|
75
|
1600
|
15000
|
0.21(0.85)
|
3°
|
0.25
|
0.5
|
)6~)15
|
|
SDWB42C
|
42.5
|
29.2
|
13.5
|
44.6
|
M3
|
84
|
75
|
1600
|
15000
|
0.24(0.94)
|
3°
|
0.35
|
0.5
|
)6~)15
|
|
SDAA42C
|
42.5
|
29.2
|
13.5
|
50
|
M3
|
105
|
75
|
2000
|
15000
|
0.27(1.05)
|
3°
|
0.5
|
0.5
|
)6~)15
|
|
SDAB42C
|
42.5
|
29.2
|
13.5
|
57.5
|
M3
|
110
|
75
|
2000
|
15000
|
0.28(1.10)
|
3°
|
0.7
|
0.5
|
)6~)15
|
|
SDAC42C
|
42.5
|
29.2
|
13.5
|
67
|
M3
|
115
|
75
|
2000
|
15000
|
0.29(1.15)
|
3°
|
1
|
0.5
|
)6~)15
|
|
SDS47C
|
47
|
33
|
17
|
37.2
|
M4
|
108
|
110
|
3400
|
15000
|
0.32(1.33)
|
1.5°
|
0
|
0.25
|
)8~)19
|
|
SDWA47C
|
47
|
33
|
17
|
45
|
M4
|
120
|
110
|
2000
|
15000
|
0.361.48)
|
3°
|
0.25
|
0.5
|
)8~)19
|
|
SDWB47C
|
47
|
33
|
17
|
51
|
M4
|
132
|
110
|
2000
|
15000
|
0.39(1.63)
|
3°
|
0.4
|
0.5
|
)8~)19
|
|
SDAA47C
|
47
|
33
|
17
|
63.5
|
M4
|
152
|
110
|
2850
|
15000
|
0.45(1.87)
|
3°
|
0.6
|
0.5
|
)8~)19
|
|
SDAB47C
|
47
|
33
|
17
|
89.6
|
M4
|
172
|
110
|
2850
|
15000
|
0.51(2.12)
|
3°
|
1.4
|
0.5
|
)12~)19
|
|
SDS54C
|
54
|
38.5
|
21.5
|
47
|
M5
|
145
|
230
|
4800
|
15000
|
0.55(2.19)
|
1.5°
|
0
|
0.25
|
)10~)20
|
|
SDW54C
|
54
|
38.5
|
21.5
|
60
|
M5
|
192
|
230
|
2600
|
15000
|
0.72(2.88)
|
3°
|
0.25
|
0.5
|
)10~)20
|
|
SDAA54C
|
54
|
38.5
|
21.5
|
75
|
M5
|
240
|
230
|
3900
|
15000
|
0.90(3.6)
|
3°
|
0.7
|
0.5
|
)10~)20
|
|
SDAB54C
|
54
|
38.5
|
21.5
|
88.9
|
M5
|
266
|
230
|
3900
|
15000
|
1.1(4.4)
|
3°
|
1.1
|
0.5
|
)10~)20
|
|
SDS64C
|
64
|
48
|
26
|
58
|
M6
|
292
|
310
|
6000
|
15000
|
1.72(6.94)
|
1.5°
|
0
|
0.3
|
)12~)28
|
|
SDW64C
|
64
|
48
|
26
|
74
|
M6
|
373
|
310
|
4100
|
15000
|
2.2(8.80)
|
3°
|
0.4
|
0.3
|
)12~)28
|
|
SDA64C
|
64
|
48
|
26
|
89.2
|
M6
|
450
|
310
|
5000
|
15000
|
2.66(10.62)
|
3°
|
0.9
|
0.6
|
)12~)28
|
|
SDS80C
|
79
|
79
|
30
|
66.5
|
M8
|
800
|
680
|
13000
|
7000
|
7.47(29.8)
|
1.5°
|
0
|
0.25
|
)15~)35
|
|
SDW80C
|
79
|
79
|
30
|
82
|
M8
|
900
|
680
|
12000
|
7000
|
8.4(33.6)
|
3°
|
0.3
|
0.5
|
)15~)35
|
|
SDA80C
|
79
|
79
|
30
|
98
|
M8
|
1000
|
680
|
13000
|
7000
|
9.33(37.33)
|
3°
|
0.5
|
0.5
|
)15~)35
|
|