| Size
|
Á¤µµµî±Þ
|
ȣĪÇü¹ø ·±³Êºí·Ï
|
|
¾à10 um ±îÁöÀÇ
Ŭ¸®¾î·±½º
|
¿¹¾Ð 0.02 C |
| 15
| H
| 1661-193-10
| 1661-113-10
|
| N
| 1661-194-10
| 1661-114-10 |
| 20
| H
| 1661-893-10
| 1661-813-10
|
| N
| 1661-894-10
| 1661-814-10 |
| 25
| H
| 1661-293-10
| 1661-213-10
|
| N
| 1661-294-10
| 1661-214-10 |
| 30
| H
| 1661-793-10
| 1661-713-10
|
| N
| 1661-794-10
| 1661-714-10 |
| 35
| H
| 1661-393-10
| 1661-313-10
|
| N
| 1661-394-10
| 1661-314-10 |
|
|
|
|

|
|
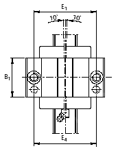
Å©±â
|
Ä¡¼ö(mm)
|
|
A
|
A1
|
A2
|
A3
|
B
|
B1
|
H
|
H1
|
H21)
|
H22)
|
V1
|
E1
|
E8
|
E9
|
N1
|
|
15
|
47
|
23.5
|
15
|
16.0
|
40.5
|
25.7
|
24
|
19.8
|
16.3
|
16.20
|
5.0
|
38
|
24.55
|
6.7
|
5.0
|
|
20
|
63
|
31.5
|
20
|
21.5
|
52.5
|
31.9
|
30
|
25.4
|
20.7
|
20.55
|
6.0
|
53
|
32.40
|
7.3
|
7.5
|
|
25
|
70
|
35.0
|
23
|
23.5
|
61.5
|
38.6
|
36
|
29.5
|
24.4
|
24.25
|
7.5
|
57
|
38.30
|
11.5
|
9.0
|
|
30
|
90
|
45.0
|
28
|
31.0
|
71.5
|
45.0
|
42
|
35.0
|
28.5
|
28.35
|
7.0
|
72
|
48.40
|
14.6
|
11.0
|
|
35
|
100
|
50.0
|
34
|
33.0
|
79.0
|
51.4
|
48
|
40.0
|
32.15
|
31.85
|
8.0
|
82
|
58.00
|
17.5
|
12.0
|
|
|
Å©±â
|
Ä¡¼ö(mm)
|
¹«°Ô
|
ÇÏÁß(N)
|
Çã¿ë ºÎÇÏ
|
¸ð¸àÆ®(Nm)
|
|
C
|
(N)
|
Mt
|
Mt
|
|
N5
|
N6±0.5
|
S1
|
S2
|
S5
|
S9
|
kg
|
µ¿
|
Fmax
|
µ¿
|
max
|
|
15
|
4.0
|
10.3
|
4.4
|
M5
|
4.4
|
M2.5-3.5±íÀÌ
|
0.19
|
3900
|
1500
|
39
|
15
|
|
20
|
4.7
|
13.2
|
5.4
|
M6
|
6.0
|
M3-5±íÀÌ
|
0.43
|
10100
|
3900
|
130
|
50
|
|
25
|
5.5
|
15.2
|
6.8
|
M8
|
7.0
|
M3-5±íÀÌ
|
0.50
|
11400
|
4400
|
170
|
65
|
|
30
|
6.0
|
17.0
|
8.6
|
M10
|
9.0
|
M3-5±íÀÌ
|
0.90
|
15800
|
6100
|
270
|
105
|
|
35
|
7.0
|
20.5
|
8.6
|
M10
|
9.0
|
M3-5±íÀÌ
|
1.35
|
21100
|
8100
|
450
|
175
|
|