| |
|
¢¸BACK
|
|
|
|
|
|
THK¿¡¼´Â º¼³ª»çÀÇ °ßÀûÀ̳ª Á¦ÀÛÀ» ½Å¼ÓÇÏ°Ô Çϱâ À§ÇØ ³ª»çÃàÀÇ
Ãà´Ü Çü»óÀ» Ç¥ÁØÈÇϰí ÀÖ´Ù. Ãà´ÜÀÇ ±ÇÀåÇü»óÀº Ç¥ÁØ ¼Æ÷Æ®À¯´ÏÆ®¸¦
±×´ë·Î »ç¿ëÀÌ °¡´ÉÇÑ H, K, J Çü°ú
JIS B 1191, 1192 ¸¦ ±Ù°Å·ÎÇÑ A, B, CÇüÀÌ ÀÖ´Ù.
|
|
¢ºÃà´ÜÀÇ ±ÇÀåÇü»óÀÇ Á¾·ù |
| ÀåÂø ¹æ¹ý
|
Ãà´ÜÇü»ó ±âÈ£
|
Çü»ó
|
Àû¿ë ¼Æ÷Æ® À¯´ÏÆ®
|
| °íÁ¤
|
HJ
|
H1
|

|
FK EK
|
| J1
|
BK
|
| H2
|

|
FK EK
|
| J2
|
BK
|
| H3
|

|
FK EK
|
| J3
|
BK
|
| ÁöÁö
|
K
|

|
FF EF BF
|
| °íÁ¤
|
A
|

|
-
|
| B
|

|
-
|
| ÁöÁö
|
C
|
 ³ª»çÃà°æ
20¡45mm¡¡¡¡¡¡¡¡¡¡³ª»çÃà°æ 14¡18mm
|
-
| |
|
|
|
¢ºÃà´ÜÀÇ ±ÇÀåÇü»ó HÇü(H1, H2, H3)
¼Æ÷Æ® À¯´ÏÆ® FKÇü, EKÇü¿ë
|
|
|
| |
|
|
´ÜÀ§: mm
|
|
¼Æ÷Æ® À¯´ÏÆ® ȣĪ Çü¹ø
|
º¼ ³ª»ç Ãà¿Ü°æ d
|
º£¾î¸µºÎ Ãà¿Ü°æ A
|
B
|
E
|
F
|
¹ÌÅÍ ³ª»ç
|
ÀÌ¸éÆø
|
H2Çü ŰȨ
|
H3Çü À̹æ¸éÃë
|
¼Æ÷Æ® À¯´ÏÆ® À§Ä¡
|
|
FKÇü
|
EKÇü K3
|
|
FKÇü
|
EKÇü
|
M
|
S
|
J
|
N
|
H
|
G
|
T
|
P
|
R
|
P
|
K1
|
K2
|
|
FK 4
|
EK 4
|
6
|
4
|
3
|
23
|
5
|
M4×0.5
|
7
|
4
|
4
|
4
|
-
|
-
|
-
|
2.7
|
4
|
1.5
|
0.5
|
1.5
|
|
FK 5
|
EK 5
|
8
|
5
|
4
|
25
|
6
|
M5×0.5
|
7
|
5
|
4
|
4
|
-
|
-
|
-
|
3.7
|
5
|
2
|
0.5
|
2
|
|
FK 6
|
EK 6
|
8
|
6
|
4
|
30
|
8
|
M6×0.75
|
8
|
5
|
4
|
4
|
-
|
-
|
-
|
3.7
|
6
|
3.5
|
0.5
|
3.5
|
|
FK 8
|
EK 8
|
12
|
8
|
6
|
35
|
9
|
M8×1
|
10
|
8
|
5
|
5
|
-
|
-
|
-
|
5.6
|
7
|
3.5
|
0.5
|
3.5
|
|
FK 10
|
EK 10
|
14
|
10
|
8
|
36
|
15
|
M10×1
|
11
|
10
|
5
|
7
|
2
|
1.2
|
11
|
7.5
|
11
|
0.5
|
-0.5
|
-0.5
|
|
FK 10
|
EK 10
|
15
|
10
|
8
|
36
|
15
|
M10×1
|
11
|
10
|
5
|
7
|
2
|
1.2
|
11
|
7.5
|
11
|
0.5
|
-0.5
|
-0.5
|
|
FK 12
|
EK 12
|
16
|
12
|
10
|
36
|
15
|
M12×1
|
11
|
13
|
6
|
8
|
3
|
1.8
|
12
|
9.5
|
12
|
0.5
|
-0.5
|
-0.5
|
|
FK 12
|
EK 12
|
18
|
12
|
10
|
36
|
15
|
M12×1
|
11
|
13
|
6
|
8
|
3
|
1.8
|
12
|
9.5
|
12
|
0.5
|
-0.5
|
-0.5
|
|
FK 15
|
EK 15
|
20
|
15
|
12
|
49
|
20
|
M15×1
|
13
|
16
|
6
|
9
|
4
|
2.5
|
16
|
11.3
|
16
|
4
|
2
|
5
|
|
FK 15
|
EK 15
|
25
|
15
|
12
|
49
|
20
|
M15×1
|
13
|
18
|
7
|
10
|
4
|
2.5
|
16
|
11.3
|
16
|
4
|
2
|
5
|
|
FK 20
|
EK 20
|
28
|
20
|
17
|
64
|
25
|
M20×1
|
17
|
21
|
8
|
11
|
5
|
3
|
21
|
16
|
21
|
1
|
-3
|
1
|
|
FK 20
|
EK 20
|
30
|
20
|
17
|
64
|
25
|
M20×1
|
17
|
24
|
8
|
12
|
5
|
3
|
21
|
16
|
21
|
1
|
-3
|
1
|
|
FK 20
|
EK 20
|
32
|
20
|
17
|
64
|
25
|
M20×1
|
17
|
27
|
9
|
13
|
5
|
3
|
21
|
16
|
21
|
1
|
-3
|
1
|
|
FK 25
|
-
|
36
|
25
|
20
|
76
|
30
|
M25×1.5
|
20
|
27
|
10
|
13
|
6
|
3.5
|
25
|
19
|
25
|
5
|
-2
|
-
|
|
FK 30
|
-
|
40
|
30
|
25
|
72
|
38
|
M30×1.5
|
25
|
32
|
10
|
15
|
8
|
4
|
32
|
23.5
|
32
|
-3
|
-9
|
-
|
|
|
| |
|
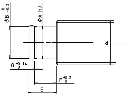
¢ºÃà´ÜÀÇ ±ÇÀåÇü»ó JÇü(J1, J2, J3)
¼Æ÷Æ® À¯´ÏÆ® BKÇü¿ë
|
|
 BKÇü
|
|
| |
|
|
´ÜÀ§: mm
|
|
¼Æ÷Æ® À¯´ÏÆ® ȣĪ Çü¹ø BKÇü
|
º¼ ³ª»ç Ãà¿Ü°æ d
|
º£¾î¸µºÎ Ãà¿Ü°æ A
|
B
|
E
|
F
|
¹ÌÅÍ ³ª»ç
|
ÀÌ¸éÆø
|
J2Çü ŰȨ
|
J3Çü À̹æ¸éÃë
|
|
M
|
S
|
J
|
N
|
H
|
G
|
T
|
P
|
R
|
P
|
|
BK 10
|
14
|
10
|
8
|
39
|
15
|
M10×1
|
16
|
10
|
5
|
7
|
2
|
1.2
|
11
|
7.5
|
11
|
|
BK 10
|
15
|
10
|
8
|
39
|
15
|
M10×1
|
16
|
10
|
5
|
7
|
2
|
1.2
|
11
|
7.5
|
11
|
|
BK 12
|
16
|
12
|
10
|
39
|
15
|
M12×1
|
14
|
13
|
6
|
8
|
3
|
1.8
|
12
|
9.5
|
12
|
|
BK 12
|
18
|
12
|
10
|
39
|
15
|
M12×1
|
14
|
13
|
6
|
8
|
3
|
1.8
|
12
|
9.5
|
12
|
|
BK 15
|
20
|
15
|
12
|
40
|
20
|
M15×1
|
12
|
16
|
6
|
9
|
4
|
2.5
|
16
|
11.3
|
16
|
|
BK 17
|
25
|
17
|
15
|
53
|
23
|
M17×1
|
17
|
18
|
7
|
10
|
5
|
3
|
21
|
14.3
|
21
|
|
BK 20
|
28
|
20
|
17
|
53
|
25
|
M20×1
|
15
|
21
|
8
|
11
|
5
|
3
|
21
|
16
|
21
|
|
BK 20
|
30
|
20
|
17
|
53
|
25
|
M20×1
|
15
|
24
|
8
|
12
|
5
|
3
|
21
|
16
|
21
|
|
BK 20
|
32
|
20
|
17
|
53
|
25
|
M20×1
|
15
|
27
|
9
|
13
|
5
|
3
|
21
|
16
|
21
|
|
BK 25
|
36
|
25
|
20
|
65
|
30
|
M25×1.5
|
18
|
27
|
10
|
13
|
6
|
3.5
|
25
|
19
|
25
|
|
BK 30
|
40
|
30
|
25
|
72
|
38
|
M30×1.5
|
25
|
32
|
10
|
15
|
8
|
4
|
32
|
23.5
|
32
|
|
BK 35
|
45
|
35
|
30
|
83
|
45
|
M35×1.5
|
28
|
36
|
12
|
15
|
8
|
4
|
40
|
28.5
|
40
|
|
BK 40
|
50
|
40
|
35
|
98
|
50
|
M40×1.5
|
35
|
41
|
14
|
19
|
10
|
5
|
45
|
33
|
45
|
|
BK 40
|
55
|
40
|
35
|
98
|
50
|
M40×1.5
|
35
|
46
|
14
|
20
|
10
|
5
|
45
|
33
|
45
|
|
|
| |
|
¢ºÃà´ÜÀÇ ±ÇÀåÇü»ó KÇü
¼Æ÷Æ® À¯´ÏÆ® FFÇü,EFÇü,BFÇü¿ë
|
|
|
| |
|
|
´ÜÀ§: mm
|
|
¼Æ÷Æ® À¯´ÏÆ® ȣĪ Çü¹ø
|
º¼ ³ª»ç Ãà¿Ü°æ d
|
º£¾î¸µºÎ Ãà¿Ü°æ A
|
E
|
½º³À¸µÈ¨
|
|
FFÇü
|
EFÇü
|
BFÇü
|
B
|
F
|
G
|
|
FF10
|
EF10
|
BF10
|
14
|
8
|
10
|
7.6
|
7.9
|
0.9
|
|
FF10
|
EF10
|
BF10
|
15
|
8
|
10
|
7.6
|
7.9
|
0.9
|
|
FF12
|
EF12
|
BF12
|
16
|
10
|
11
|
9.6
|
9.15
|
1.15
|
|
FF12
|
EF12
|
BF12
|
18
|
10
|
11
|
9.6
|
9.15
|
1.15
|
|
FF15
|
EF15
|
BF15
|
20
|
15
|
13
|
14.3
|
10.15
|
1.15
|
|
FF15
|
EF15
|
BF15
|
25
|
15
|
13
|
14.3
|
10.15
|
1.15
|
|
-
|
¡¡ ¡¡¡¡BF17
|
25
|
17
|
16
|
16.2
|
13.15
|
1.15
|
|
FF20
|
EF20
|
BF20 ÁÖ)2
|
28
|
20
|
19(16)
|
19
|
15.35(13.35)
|
1.35
|
|
FF20
|
EF20
|
BF20 ÁÖ)2
|
30
|
20
|
19(16)
|
19
|
15.35(13.35)
|
1.35
|
|
FF20
|
EF20
|
BF20 ÁÖ)2
|
32
|
20
|
19(16)
|
19
|
15.35(13.35)
|
1.35
|
|
FF25
|
-
|
BF25
|
36
|
25
|
20
|
23.9
|
16.35
|
1.35
|
|
FF30
|
-
|
BF30
|
40
|
30
|
21
|
28.6
|
17.75
|
1.75
|
|
-
|
-
|
BF35
|
45
|
35
|
22
|
33
|
18.75
|
1.75
|
|
-
|
-
|
BF40
|
50
|
40
|
23
|
38
|
19.95
|
1.95
|
|
-
|
-
|
BF40
|
55
|
40
|
23
|
38
|
19.95
|
1.95
|
|
|
| |
|
¢ºÃà´ÜÀÇ ±ÇÀåÇü»ó AÇü
|
|
|
| |
|
|
´ÜÀ§: mm
|
|
³ª»çÃà ¿Ü°æ d
|
Ãà´Ü Ä¡¼ö
|
Ä®¶ó Ä¡¼ö (Âü°í)
|
±¸¸§ º£¾î¸µ¿ë ³ÊÆ®
|
±¸¸§ º£¾î¸µ¿ë ¿Í¼Å
|
»ç¿ë±¸¸§ º£¾î¸µ¿¹
|
|
A h6
|
B h7
|
E
|
F
|
G
|
¹ÌÅÍ ³ª»ç
|
º£¾î¸µ¿ë¿Í¼ÅȨ
|
ŰȨ
|
¸ð¼¸®¹Ý°æ
|
ȣιøÈ£
|
¿Ü°æ D
|
Æø H
|
|
M
|
S
|
T
|
V
|
K(Æø×±íÀÌ)
|
O
|
U
|
N(Æø×±íÀÌ)
|
P
|
Q
|
R1
|
R2MAX
|
J
|
I
|
L
|
|
14
|
10
|
8
|
34
|
16
|
50
|
M10×0.75
|
11
|
2
|
8.5
|
3.5×1.5
|
13
|
2
|
-
|
-
|
-
|
0.3
|
0.2
|
15
|
7
|
5
|
AN00
|
AW00
|
7200
|
30
|
18
|
|
16
|
12
|
10
|
37
|
20
|
57
|
M12×1
|
11
|
2
|
10.5
|
3.5×1.5
|
13
|
2
|
3×1.8
|
17
|
3
|
0.3
|
0.2
|
17
|
8
|
5
|
AN01
|
AW01
|
7201
|
32
|
20
|
|
18
|
12
|
10
|
37
|
20
|
57
|
M12×1
|
11
|
2
|
10.5
|
3.5×1.5
|
13
|
2
|
3×1.8
|
17
|
3
|
0.3
|
0.2
|
17
|
8
|
5
|
AN01
|
AW01
|
7201
|
32
|
20
|
|
20
|
15
|
12
|
33
|
25
|
58
|
M15×1
|
13
|
2
|
13.5
|
4.5×1.5
|
16
|
-
|
4×2.5
|
21
|
4
|
0.5
|
0.2
|
-
|
-
|
6
|
AN02
|
AW02
|
7202
|
35
|
22
|
|
25
|
17
|
14
|
35
|
25
|
60
|
M17×1
|
13
|
2
|
15.5
|
4.5×1.5
|
16
|
-
|
5×3.0
|
21
|
4
|
0.5
|
0.2
|
-
|
-
|
6
|
AN03
|
AW03
|
7203
|
40
|
24
|
|
28
|
20
|
16
|
41
|
28
|
69
|
M20×1
|
15
|
2
|
18.5
|
4.5×1.5
|
18
|
-
|
5×3.0
|
24
|
4
|
0.5
|
0.5
|
-
|
-
|
7
|
AN04
|
AW04
|
7204
|
47
|
28
|
|
32
|
20
|
16
|
41
|
28
|
69
|
M20×1
|
15
|
2
|
18.5
|
4.5×1.5
|
18
|
-
|
5×3.0
|
24
|
4
|
0.5
|
0.5
|
-
|
-
|
7
|
AN04
|
AW04
|
7204
|
47
|
28
|
|
36
|
25
|
20
|
48
|
36
|
84
|
M25×1.5
|
21
|
3
|
23
|
5.5×2.0
|
24
|
-
|
6×3.5
|
32
|
4
|
0.5
|
0.5
|
-
|
-
|
8.2
|
AN05
|
AW05
|
7205
|
52
|
30
|
|
40
|
30
|
25
|
50
|
42
|
92
|
M30×1.5
|
21
|
3
|
28
|
5.5×2.5
|
24
|
-
|
8×4.0
|
37
|
5
|
0.5
|
0.5
|
-
|
-
|
8.2
|
AN06
|
AW06
|
7206
|
62
|
32
|
|
45
|
35
|
30
|
63
|
58
|
121
|
M35×1.5
|
24
|
3
|
33
|
6.5×2.5
|
28
|
-
|
8×4.0
|
53
|
5
|
0.5
|
0.9
|
-
|
-
|
9.2
|
AN07
|
AW07
|
7307
|
80
|
42
|
|
|
| |
|
¢ºÃà´ÜÀÇ ±ÇÀåÇü»ó BÇü
|
|
|
| |
|
|
´ÜÀ§: mm
|
|
³ª»çÃà ¿Ü°æ d
|
Ãà´Ü Ä¡¼ö
|
Ä®¶ó Ä¡¼ö (Âü°í)
|
±¸¸§ º£¾î¸µ¿ë ³ÊÆ®
|
±¸¸§ º£¾î¸µ¿ë ¿Í¼Å
|
»ç¿ë±¸¸§º£¾î¸µ¿¹
|
|
A h6
|
B h7
|
E
|
F
|
G
|
¹ÌÅÍ ³ª»ç
|
º£¾î¸µ¿ë¿Í¼ÅȨ
|
ŰȨ
|
¸ð¼¸®¹Ý°æ
|
ȣιøÈ£
|
¿Ü°æ D
|
Æø H
|
|
M
|
S
|
T
|
V
|
K(Æø×±íÀÌ)
|
O
|
N(Æø×±íÀÌ)
|
P
|
Q
|
R1
|
R2MAX
|
J
|
I
|
L
|
|
20
|
15
|
12
|
55
|
25
|
80
|
M15×1
|
13
|
2
|
13.5
|
4.5×1.5
|
16
|
4×2.5
|
21
|
4
|
0.5
|
0.2
|
20
|
22
|
6
|
AN02
|
AW02
|
7202
|
35
|
11
|
|
25
|
17
|
14
|
59
|
25
|
84
|
M17×1
|
13
|
2
|
15.5
|
4.5×1.5
|
16
|
5×3.0
|
21
|
4
|
0.5
|
0.2
|
22
|
24
|
6
|
AN03
|
AW03
|
7203
|
40
|
12
|
|
28
|
20
|
16
|
69
|
28
|
97
|
M20×1
|
15
|
3
|
18.5
|
4.5×1.5
|
18
|
5×3.0
|
24
|
4
|
0.5
|
0.5
|
26
|
28
|
7
|
AN04
|
AW04
|
7204
|
47
|
14
|
|
32
|
20
|
16
|
69
|
28
|
97
|
M20×1
|
15
|
3
|
18.5
|
4.5×1.5
|
18
|
5×3.0
|
24
|
4
|
0.5
|
0.5
|
26
|
28
|
7
|
AN04
|
AW04
|
7204
|
47
|
14
|
|
36
|
25
|
20
|
81
|
36
|
117
|
M25×1.5
|
21
|
3
|
23
|
5.5×2.0
|
24
|
6×3.5
|
32
|
4
|
0.5
|
0.5
|
31
|
33
|
8.2
|
AN05
|
AW05
|
7205
|
52
|
15
|
|
40
|
30
|
25
|
88
|
42
|
130
|
M30×1.5
|
21
|
3
|
28
|
5.5×2.5
|
24
|
8×4.0
|
37
|
5
|
0.5
|
0.5
|
36
|
38
|
8.2
|
AN06
|
AW06
|
7206
|
62
|
16
|
|
45
|
35
|
30
|
105
|
58
|
163
|
M35×1.5
|
24
|
3
|
33
|
6.5×2.5
|
28
|
8×4.0
|
53
|
5
|
0.5
|
0.9
|
43.5
|
42
|
9.2
|
AN07
|
AW07
|
7307
|
80
|
21
|
|
|
| |
|
¢ºÃà´ÜÀÇ ±ÇÀåÇü»ó CÇü
|
|
|
| |
|
|
´ÜÀ§: mm
|
|
³ª»çÃà ¿Ü°æ d
|
Ãà´ÜÄ¡¼ö
|
¸ð¼¸®¹Ý°æ R1MAX
|
Ä®¶ó Ä¡¼ö (Âü°í)
|
Ãà ¡¡¡¡ ¿ë CÇü(µ¿½É) ½º³À¸µ
|
»ç¿ë±¸¸§ º£¾î¸µ¿¹
|
|
A js7
|
E
|
½º³À¸µÈ¨
|
ȣĪ ¹øÈ£
|
¿Ü°æ D
|
Æø H
|
|
|
|
|
J
|
I
|
|
14
|
10
|
19
|
-
|
-
|
-
|
0.5
|
15
|
7
|
-
|
6200
|
30
|
9
|
|
16
|
12
|
21
|
-
|
-
|
-
|
0.5
|
17
|
8
|
-
|
6201
|
32
|
10
|
|
18
|
12
|
21
|
-
|
-
|
-
|
0.5
|
17
|
8
|
-
|
6201
|
32
|
10
|
|
20
|
15
|
14
|
12.1
|
1.15
|
14.3
|
0.5
|
-
|
-
|
15
|
6202
|
35
|
11
|
|
25
|
17
|
15
|
13.1
|
1.15
|
16.2
|
0.5
|
-
|
-
|
17
|
6203
|
40
|
12
|
|
28
|
20
|
18
|
15.3
|
1.35
|
19
|
0.9
|
-
|
-
|
20
|
6204
|
47
|
14
|
|
32
|
20
|
18
|
15.3
|
1.35
|
19
|
0.9
|
-
|
-
|
20
|
6204
|
47
|
14
|
|
36
|
25
|
19
|
16.3
|
1.35
|
23.9
|
0.9
|
-
|
-
|
25
|
6205
|
52
|
15
|
|
40
|
30
|
21
|
17.6
|
1.75
|
28.6
|
0.9
|
-
|
-
|
30
|
6206
|
62
|
16
|
|
45
|
35
|
26
|
18.6
|
1.75
|
33
|
1
|
-
|
-
|
35
|
6207
|
72
|
17
|
|
|
| |