Á¦Ç°¼Ò°³ :
LINEAR BUSHING
> LINEAR BUSHING CASE
LMÄÉÀ̽º À¯´ÏÆ® SC
|
LMÄÉÀ̽º À¯´ÏÆ® SCE
|
LMÄÉÀ̽º À¯´ÏÆ® SCJ
¢º
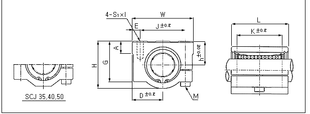
LINEAR BUSHING CASE SCJÇü
ȣĪÇü¹ø
Á¶¸³ºÎ½Ì
Á¤°ÝÇÏÁß
»þÇÁÆ®¿Ü°æ
h
D
W
H
G
A
J
E
S1 x I
K
L
M
Áß·® (gf)
C(N)
C0(N)
SCJ10UU
LM10UUAJ
370
540
¥Õ10
13
20
40
26
21
8
28
6
M5 X12
21
35
M4
90
SCJ12UU
LM12UUAJ
410
590
¥Õ12
15
21
42
28
24
7.4
30.5
5.75
M5 X12
26
36
M4
112
SCJ13UU
LM13UUAJ
500
770
¥Õ13
15
22
44
30
24.5
8
33
5.5
M5 X 12
26
39
M4
123
SCJ16UU
LM16UUAJ
770
1170
¥Õ16
19
25
50
38.5
32.5
9
36
7
M5 X12
34
44
M4
189
SCJ20UU
LM20UUAJ
860
1370
¥Õ20
21
27
54
41
35
11
40
7
M6 X12
40
50
M5
237
SCJ25UU
LM25UUAJ
980
1560
¥Õ25
26
38
76
51.5
41
12
54
11
M8 X18
50
67
M6
555
SCJ30UU
LM30UUAJ
1560
2740
¥Õ30
30
39
78
59.5
49
15
58
10
M8 X18
58
72
M6
685
SCJ35UU
LM35UUAJ
1660
3130
¥Õ35
34
45
90
68
54
18
70
10
M8 X18
60
80
M6
1100
SCJ40UU
LM40UUAJ
2150
4010
¥Õ40
40
51
102
78
62
20
80
11
M10 X25
60
90
M8
1600
SCJ50UU
LM50UUAJ
3820
7930
¥Õ50
52
61
122
102
80
25
100
11
M10 X25
80
110
M8
3350
1N¡Ö0.102 kgf
¡ã
Top