|
-
KMS Series´Â ºñÁ¶Á¤ÇüÀÌ¸ç ´Ù°ø ¿ÀÇǸ®½º ±¸Á¶·Î Ư¼ö ¼³°èµÇ¾î ÀÖ¾î Ãæµ¹¹°À» Á¡ÁøÀûÀ¸·Î
ºÎµå·´°Ô Èí¼ö½ÃÄÑ ÁÝ´Ï´Ù.
-
INNER TUBE¿¡´Â Oil Lock ±â±¸¸¦ äÅÃÇÏ¿´À¸¸ç Bottomming Çö»óÀ» ¾ø¾ÖÁÖ´Â Bumper Head ´Â
Stop Collar ´ë¿ëÀ¸·Î »ç¿ëÇØµµ µÇ±â ¶§¹®¿¡ º°µµ·Î Stop Collar °¡ ÇÊ¿äÇÏÁö ¾Ê½À´Ï´Ù.
-
Body´Â ³ª»ç»êÀ¸·Î µÇ¾îÀÖ¾î ÀåÂø½Ã À§Ä¡Á¶ÀýÀÌ Æí¸®ÇÏ¸ç °¢Á¾ Accessory »ç¿ëÀÌ Æí¸®ÇÕ´Ï´Ù.
-
Rod´Â °æÁú Crµµ±Ý󸮷Π³»¸¶¸ð¼ºÀÌ ¿ì¼öÇÏ¿© SealÀ» º¸È£ÇÏ¸ç ¿À·£¼º´ÉÀ» º¸ÀåÇÕ´Ï´Ù.
-
Ç¥ÁØÇ° À̿ܿ¡µµ ºñ±Ô°ÝÀ¸·Î »ç¿ëÀÚ¿ëµµ¿¡ µû¶ó ÁÖ¹®Á¦ÀÛÀÌ °¡´ÉÇÕ´Ï´Ù.
-
»ç¿ë¿Âµµ : -20~80°C
|
|
|
|
Model
|
Stroke (§®) s
|
Max Energy/Cycle (Nm) ET
|
Max Energy/Hour (Nm) ETC
|
Effective Weight (kg) We
|
Impact Velocity (m/sec) V
|
Return Spring Force (N)
|
Weight (g)
|
|
|
|
|
|
|
|
|
|
|
S1
|
M2
|
H3
|
S1
|
M2
|
H3
|
Extension
|
Compression
|
|
KMS 08-06
|
6
|
3
|
6,000
|
0.6ÀÌÇÏ
|
1.3
|
6
|
3.2
|
2.2
|
1.1
|
3
|
6
|
15.5
|
|
| |
|
|
| |
|
Model
|
Stroke (§®) s
|
Max Energy/Cycle (Nm) ET
|
Max Energy/Hour (Nm) ETC
|
Effective Weight (kg) We
|
Impact Velocity (m/sec) V
|
Return Spring Force (N)
|
Weight (g)
|
|
|
|
|
|
|
|
|
|
|
S1
|
M2
|
H3
|
S1
|
M2
|
H3
|
Extension
|
Compression
|
|
KMS 10-08
|
8
|
6
|
12,600
|
0.8ÀÌÇÏ
|
2.5
|
12
|
4.0
|
2.2
|
1.2
|
2.5
|
5
|
23.5
|
|
| |
|
|
|
| |
|
Model
|
Stroke (§®) s
|
Max Energy/Cycle (Nm) ET
|
Max Energy/Hour (Nm) ETC
|
Effective Weight (kg) We
|
Impact Velocity (m/sec) V
|
Return Spring Force (N)
|
Weight (g)
|
|
|
|
|
|
|
|
|
|
|
S1
|
M2
|
H3
|
S1
|
M2
|
H3
|
Extension
|
Compression
|
|
KMS 12-10
|
10
|
8
|
16,000
|
2ÀÌÇÏ
|
4.5
|
18
|
3
|
2
|
1
|
3.2
|
10
|
33.5
|
|
| |
|

|
| |
|
Model
|
Stroke (§®) s
|
Max Energy/Cycle (Nm) ET
|
Max Energy/Hour (Nm) ETC
|
Effective Weight (kg) We
|
Impact Velocity (m/sec) V
|
Return Spring Force (N)
|
Weight (g)
|
|
|
|
|
|
|
|
|
|
|
S1
|
M2
|
H3
|
S1
|
M2
|
H3
|
Extension
|
Compression
|
|
KMS 14-15
|
15
|
16
|
35,000
|
2.2ÀÌÇÏ
|
6
|
30
|
3
|
2
|
0.8
|
3.8
|
11
|
64
|
|
| |
|

|
| |
|
Model
|
Stroke (§®) s
|
Max Energy/Cycle (Nm) ET
|
Max Energy/Hour (Nm) ETC
|
Effective Weight (kg) We
|
Impact Velocity (m/sec) V
|
Return Spring Force (N)
|
Weight (g)
|
|
|
|
|
|
|
|
|
|
|
S1
|
M2
|
H3
|
S1
|
M2
|
H3
|
Extension
|
Compression
|
|
KMS 14-20
|
20
|
22
|
38,000
|
4.8ÀÌÇÏ
|
11
|
44
|
3
|
2
|
1
|
3.7
|
10.6
|
-
|
|
| |
|

|
| |
|
Model
|
Stroke (§®) s
|
Max Energy/Cycle (Nm) ET
|
Max Energy/Hour (Nm) ETC
|
Effective Weight (kg) We
|
Impact Velocity (m/sec) V
|
Return Spring Force (N)
|
Weight (g)
|
|
|
|
|
|
|
|
|
|
|
S1
|
M2
|
H3
|
S1
|
M2
|
H3
|
Extension
|
Compression
|
|
KMS 20-20
|
20
|
32
|
57,000
|
8.5ÀÌÇÏ
|
25
|
79
|
1.8
|
1.6
|
0.9
|
8.2
|
18.2
|
162
|
|
| |
|

|
| |
|
Model
|
Stroke (§®) s
|
Max Energy/Cycle (Nm) ET
|
Max Energy/Hour (Nm) ETC
|
Effective Weight (kg) We
|
Impact Velocity (m/sec) V
|
Return Spring Force (N)
|
Weight (g)
|
|
|
|
|
|
|
|
|
|
|
S1
|
M2
|
H3
|
S1
|
M2
|
H3
|
Extension
|
Compression
|
|
KMS 20-30
|
30
|
52
|
31,100
|
10ÀÌÇÏ
|
23
|
40
|
3.2
|
2.1
|
1.6
|
7.5
|
14.5
|
245
|
|
| |
|

|
| |
|
Model
|
Stroke (§®) s
|
Max Energy/Cycle (Nm) ET
|
Max Energy/Hour (Nm) ETC
|
Effective Weight (kg) We
|
Impact Velocity (m/sec) V
|
Return Spring Force (N)
|
Weight (g)
|
|
|
|
|
|
|
|
|
|
|
S1
|
M2
|
H3
|
S1
|
M2
|
H3
|
Extension
|
Compression
|
|
KMS 20-50
|
50
|
82
|
37,800
|
11ÀÌÇÏ
|
25
|
46
|
3.9
|
2.6
|
1.9
|
8
|
18
|
289
|
|
| |
|

|
| |
|
Model
|
Stroke (§®) s
|
Max Energy/Cycle (Nm) ET
|
Max Energy/Hour (Nm) ETC
|
Effective Weight (kg) We
|
Impact Velocity (m/sec) V
|
Return Spring Force (N)
|
Weight (g)
|
|
|
|
|
|
|
|
|
|
|
S1
|
M2
|
H3
|
S1
|
M2
|
H3
|
Extension
|
Compression
|
|
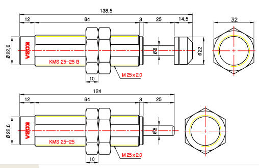
KMS 25-25
|
25
|
80
|
73,000
|
22ÀÌÇÏ
|
40
|
160
|
2.7
|
2
|
1
|
20
|
32
|
280
|
|
| |
|

|
| |
|
Model
|
Stroke (§®) s
|
Max Energy/Cycle (Nm) ET
|
Max Energy/Hour (Nm) ETC
|
Effective Weight (kg) We
|
Impact Velocity (m/sec) V
|
Return Spring Force (N)
|
Weight (g)
|
|
|
|
|
|
|
|
|
|
|
S1
|
M2
|
H3
|
S1
|
M2
|
H3
|
Extension
|
Compression
|
|
KMS 25-40
|
40
|
110
|
94,00
|
32ÀÌÇÏ
|
55
|
453
|
2.6
|
2
|
1.2
|
12
|
42
|
320.5
|
|
| |
|

|
| |
|
Model
|
Stroke (§®) s
|
Max Energy/Cycle (Nm) ET
|
Max Energy/Hour (Nm) ETC
|
Effective Weight (kg) We
|
Impact Velocity (m/sec) V
|
Return Spring Force (N)
|
Weight (g)
|
|
|
|
|
|
|
|
|
|
|
S1
|
M2
|
H3
|
S1
|
M2
|
H3
|
Extension
|
Compression
|
|
KMS 25-50
|
50
|
120
|
41,000
|
35ÀÌÇÏ
|
60
|
142
|
2.6
|
2
|
1.3
|
21
|
43
|
437.5
|
|
| |
|

|
| |
|
Model
|
Stroke (§®) s
|
Max Energy/Cycle (Nm) ET
|
Max Energy/Hour (Nm) ETC
|
Effective Weight (kg) We
|
Impact Velocity (m/sec) V
|
Return Spring Force (N)
|
Weight (g)
|
|
|
|
|
|
|
|
|
|
|
S1
|
M2
|
H3
|
S1
|
M2
|
H3
|
Extension
|
Compression
|
|
KMS 25-80
|
80
|
160
|
54,200
|
36ÀÌÇÏ
|
55
|
125
|
3
|
2.4
|
1.6
|
21
|
43
|
544.5
|
|
| |
|

|
| |
|
Model
|
Stroke (§®) s
|
Max Energy/Cycle (Nm) ET
|
Max Energy/Hour (Nm) ETC
|
Effective Weight (kg) We
|
Impact Velocity (m/sec) V
|
Return Spring Force (N)
|
Weight (g)
|
|
|
|
|
|
|
|
|
|
|
S1
|
M2
|
H3
|
S1
|
M2
|
H3
|
Extension
|
Compression
|
|
KMS 36-25
|
25
|
110
|
125,000
|
33ÀÌÇÏ
|
86
|
272
|
2.6
|
1.6
|
0.9
|
28
|
64
|
750
|
|
| |
|

|
| |
|
Model
|
Stroke (§®) s
|
Max Energy/Cycle (Nm) ET
|
Max Energy/Hour (Nm) ETC
|
Effective Weight (kg) We
|
Impact Velocity (m/sec) V
|
Return Spring Force (N)
|
Weight (g)
|
|
|
|
|
|
|
|
|
|
|
S1
|
M2
|
H3
|
S1
|
M2
|
H3
|
Extension
|
Compression
|
|
KMS 36-50
|
50
|
220
|
162,000
|
49ÀÌÇÏ
|
91
|
364
|
3
|
2.2
|
1.1
|
28
|
84
|
920
|
|
| |
|

|
|
|
|
|
|
|
|
|