|
|
|
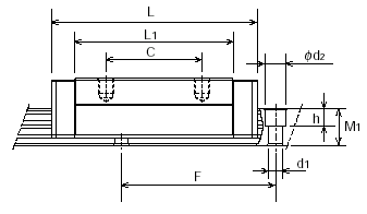
THK LMGuide SHW


|
SHWÇü LM ·¹ÀÏ Ç¥ÁرæÀÌ¿Í ÃÖ´ë±æÀÌ
|
|
´ÜÀ§ : mm
| ȣĪ Çü¹ø
| SHW 21
| SHW 27
| SHW 35
| SHW 50
|
| LM ·¹ÀÏ Ç¥ÁرæÀÌ (L0)
|
130 230 380 480 580 780
|
160 280 340 460 640 820
|
280 440 760 1000 1240 1560
|
280 440 760 1000 1240 1640 2040
|
| Ç¥ÁØ ÇÇÄ¡ F
|
50
|
60
|
80
|
80
|
| G
|
15
|
20
|
20
|
20
|
| ÃÖ´ë±æÀÌ
|
1900
|
3000
|
3000
|
3000 |
|
|
¡ß SHW-CA Çü (Ç÷£ÁöŸÀÔ)
|
 
|
ȣĪÇü¹ø
|
¿ÜÇüÄ¡¼ö
|
ºí·ÏÄ¡¼ö
|
·¹ÀÏÄ¡¼ö
|
±âº»Á¤°ÝÇÏÁß
|
|
³ôÀÌ M
|
Æø W
|
±æÀÌ L
|
B
|
C
|
S
|
H
|
L1
|
T
|
K
|
Æø W1
|
W2
|
W3
|
³ôÀÌ M1
|
ÇÇÄ¡ F
|
d1xd2xh
|
C (KN)
|
Co (KN)
|
|
SHW12CAM
|
12
|
40
|
37
|
35
|
9
|
M3
|
2.5
|
27
|
4
|
10
|
18
|
11
|
-
|
6.6
|
40
|
4.5x7.5x5.3
|
4.31
|
5.66
|
|
SHW14CAM
|
14
|
50
|
45.5
|
45
|
12
|
M3
|
2.5
|
34
|
5
|
12
|
24
|
13
|
-
|
7.5
|
40
|
4.5x7.5x5.3
|
7.05
|
8.98
|
|
SHW17CAM
|
17
|
60
|
51
|
53
|
26
|
M4
|
3.3
|
38
|
6
|
14.5
|
33
|
13.5
|
18
|
8.6
|
40
|
4.5x7.5x5.3
|
7.65
|
10.18
|
|
SHW21CA
|
21
|
68
|
59
|
60
|
29
|
M5
|
4.4
|
43.6
|
8
|
17.7
|
37
|
15.5
|
22
|
11
|
50
|
4.5x7.5x5.3
|
6.18
|
12.8
|
|
SHW27CA
|
27
|
80
|
73
|
70
|
40
|
M6
|
5.3
|
56.6
|
10
|
23.5
|
42
|
19
|
24
|
15
|
60
|
4.5x7.5x5.3
|
11.5
|
22.7
|
|
SHW35CA
|
35
|
120
|
107
|
107
|
60
|
M8
|
6.8
|
83
|
14
|
31
|
69
|
25.5
|
40
|
19
|
80
|
7x11x9
|
27.2
|
49.2
|
|
SHW50CA
|
50
|
162
|
141
|
144
|
80
|
M10
|
8.6
|
107
|
18
|
46
|
90
|
36
|
60
|
24
|
80
|
9x14x12
|
50.2
|
91.4 |
|
¡ß SHW-C R Çü (ÄÞÆÑÆ®Å¸ÀÔ)
|
|
ȣĪÇü¹ø
|
¿ÜÇüÄ¡¼ö
|
ºí·ÏÄ¡¼ö
|
·¹ÀÏÄ¡¼ö
|
±âº»Á¤°ÝÇÏÁß
|
|
³ôÀÌ M
|
Æø W
|
±æÀÌ L
|
B
|
C
|
SX§¤
|
n
|
L1
|
T
|
K
|
Æø W1
|
W2
|
W3
|
³ôÀÌ M1
|
ÇÇÄ¡ F
|
d1xd2xh
|
C (KN)
|
Co (KN)
|
|
SHW12CRM
|
12
|
30
|
37
|
21
|
12
|
M3X3.5
|
4
|
27
|
4
|
10
|
18
|
6
|
-
|
6.6
|
40
|
4.5x7.5x5.3
|
4.31
|
5.66
|
|
SHW12HRM
|
12
|
30
|
50.4
|
21
|
24
|
M3X3.5
|
4
|
40.4
|
4
|
10
|
18
|
8
|
-
|
6.6
|
40
|
4.5x7.5x5.3
|
5.56
|
8.68
|
|
SHW14CRM
|
14
|
40
|
45.5
|
28
|
15
|
M3X4
|
4
|
34
|
5
|
12
|
24
|
8
|
-
|
7.5
|
40
|
4.5x7.5x5.3
|
7.05
|
8.98
|
|
SHW17CRM
|
17
|
50
|
51
|
29
|
15
|
M4X5
|
4
|
38
|
6
|
14.5
|
33
|
8.5
|
18
|
8.6
|
40
|
4.5x7.5x5.3
|
7.65
|
10.18
|
|
SHW21CR
|
21
|
54
|
59
|
31
|
19
|
M5X6
|
4
|
43.6
|
8
|
17.7
|
37
|
8.5
|
22
|
11
|
50
|
4.5x7.5x5.3
|
6.18
|
12.8
|
|
SHW27CR
|
27
|
62
|
73
|
46
|
32
|
M6X6
|
6
|
56.6
|
10
|
23.5
|
42
|
10
|
24
|
15
|
60
|
4.5X7.5X5.3
|
11.5
|
22.7
|
|
SHW35CR
|
35
|
100
|
107
|
76
|
50
|
M8X8
|
6
|
83
|
14
|
31
|
69
|
15.5
|
40
|
19
|
80
|
7X11X9
|
27.2
|
49.2
|
|
SHW50CR
|
50
|
130
|
141
|
100
|
65
|
M10X15
|
6
|
107
|
18
|
46
|
90
|
20
|
60
|
24
|
80
|
9X14X12
|
50.2
|
91.4 |
|
¼¿ï½Ã ±¸·Î±¸ °æÀηΠ579 ¾È¼ººôµù Aµ¿ 113È£ | ´ëÇ¥ : À̸í¼ö
»ç¾÷ÀÚµî·Ï¹øÈ£ : 113-08-39243 | Åë½ÅÆÇ¸Å¾÷½Å°í : ±¸·Î Á¦ 38È£
Tel : 02-2683-4825~6 Fax : 02-6442-4827 / 02-2683-4810 Contact us : yuil@yuilfa.com
|
|