|
|
|
| ¢ºProducts : LM Guide >THK LM Guide >
Ball Slide >Type
LSC |
|

|
|
|
|
|
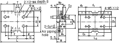
| Model No. |
Max. stroke
S
|
+0.5 0 |
|
Cylinder inner diameter |
Slider dimensions |
| Theoretical thrust (at 500 kPa) N
|
Height M ±0.05 |
width W |
L |
M2 |
B |
C |
G |
S×pitch× |
m |
g |
f |
J |
T |
K |
M1 |
W1 |
| LSC 1015 |
15 |
10 |
38.2 |
25 |
50 |
80 |
24 |
20 |
40 |
20 |
M 4×0.7×7 |
5.5 |
12.5 |
40 |
£ |
£ |
£ |
16.5 |
31.2 |
| LSC 1515 |
15 |
15 |
86.3 |
30 |
70 |
80 |
21 |
30 |
40 |
19 |
M 5×0.8×8 |
9.0 |
28.5 |
40 |
29 |
22 |
4 |
21 |
45 |
| LSC 1530 |
30 |
15 |
86.3 |
30 |
70 |
110 |
21 |
30 |
60 |
25 |
M 5×0.8×8 |
9.0 |
35 |
60 |
44 |
22 |
4 |
21 |
45 |
| LSC 1550 |
50 |
15 |
86.3 |
30 |
70 |
150 |
21 |
30 |
100 |
25 |
M 5×0.8×8 |
9.0 |
50 |
50 |
64 |
22 |
4 |
21 |
45 | |
|
|
Model No.
|
L0
|
B1
|
Base dimensions
|
Static permissible moment
|
Basic load rating
|
Mass kg
|
| F
|
d
|
D
|
h
|
S3
|
G1
|
f1
|
g1
|
A
|
H
|
S2×pitch× |
MA,MB N· m
|
MC N· m
|
C N
|
C0 N
|
| LSC 1015
|
80
|
20
|
40
|
3.3
|
5.5
|
3.5
|
M 4×0.7
|
20
|
£
|
£
|
13
|
5.5
|
M 5×0.8×5
|
4.90
|
7.45
|
392
|
676
|
0.25
|
| LSC 1515
|
80
|
30
|
40
|
5.2
|
9.0
|
9
|
M 6
|
21
|
23
|
29.5
|
17
|
10.5
|
M 5×0.8×4.5
|
4.90
|
11.1
|
392
|
676
|
0.37
|
| LSC 1530
|
110
|
30
|
60
|
5.2
|
9.0
|
9
|
M 6
|
25
|
40
|
35
|
17
|
10.5
|
M 5×0.8×4.5
|
8.43
|
15.4
|
549
|
951
|
0.52
|
| LSC 1550
|
150
|
30
|
100
|
5.2
|
9.0
|
9
|
M 6
|
25
|
78
|
36
|
17
|
10.5
|
M 5×0.8×4.5
|
15.4
|
22.1
|
794
|
1350
|
0.72
| |
|
|
|
|