|
|
¢¸BACK
|
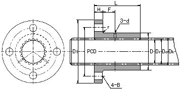
| ¢º½ºÇöóÀÎ³ÊÆ®-
DPMÇü |
|

|
|

|
|
|
|
| ½ºÇÁ¶óÀÎ³ÊÆ® ȣĪÇü¹ø
|
¿ÜÇüÄ¡¼ö |
½ºÇöóÀÎ³ÊÆ® Ä¡¼ö |
½ºÇÁ¶óÀÎÃà ȣĪÇü¹ø
|
½ºÇöóÀÎºÎ»ó¼¼ |
Ç¥ÁØÃà ±æÀÌ
|
ÃÖ´ëÃà ±æÀÌ
|
µ¿ÀûÇã¿ë Åä¿ÀÅ© N· m
|
½ºÇöóÀÎ ³ÊÆ®Áú·® g
|
½ºÇöóÀÎ ÃàÁú·® kg/m
|
| ¿Ü°æ
|
±æÀÌ L
|
Ç÷£Áö°æ D1
|
H
|
B
|
PCD
|
r
|
F
|
d
|
ÇÇÄ¡°æ D0
|
´ë°æ Dk
|
¼Ò°æ Dr
|
Ä¡¼ö Z
|
| D
|
Çã¿ëÂ÷ h9
|
| DPM 1220 DPM 1230
|
22
|
|
20
|
44
|
6
|
5.4
|
31
|
1.5
|
7
|
1.5
|
SS 12
|
12
|
12.8
|
10.9
|
16
|
1500
|
1500
|
17.6
|
80
|
0.9
|
|
30
|
26.5
|
90
|
| DPM 1520 DPM 1530
|
22
|
20
|
44
|
6
|
5.4
|
31
|
1.5
|
7
|
1.5
|
SS 15
|
15
|
16.1
|
13.5
|
16
|
1500
|
2000
|
30.4
|
70
|
1.4
|
|
30
|
46.1
|
80
|
| DPM 1723 DPM 1735
|
28
|
23
|
51
|
7
|
6.6
|
38
|
1.5
|
8
|
1.5
|
SS 17
|
17
|
18.2
|
15.4
|
16
|
1500
|
2000
|
43.1
|
120
|
1.7
|
|
35
|
65.7
|
150
|
| DPM 2028 DPM 2040
|
32
|
|
28
|
56
|
7
|
6.6
|
42
|
1.5
|
10.5
|
1.5
|
SS 20
|
20
|
21.5
|
18.3
|
16
|
1500
|
3200
|
70.6
|
160
|
2.5
|
|
40
|
100
|
200
|
| DPM 2536 DPM 2550
|
36
|
36
|
61
|
8
|
6.6
|
47
|
2
|
14
|
2
|
SS 25
|
25
|
26.9
|
22.6
|
16
|
1500
|
3200
|
152
|
220
|
3.8
|
|
50
|
211
|
270
|
| DPM 3040 DPM 3056
|
44
|
40
|
76
|
10
|
9
|
58
|
2
|
15
|
2
|
SS 30
|
30
|
31.8
|
28.2
|
20
|
1500
|
3200
|
212
|
400
|
5.5
|
|
56
|
297
|
480
|
| DPM 3544 DPM 3560
|
52
|
|
44
|
84
|
10
|
9
|
66
|
2.5
|
17
|
2.5
|
SS 35
|
35
|
37.1
|
32.8
|
20
|
1500
|
3200
|
325
|
560
|
7.5
|
|
60
|
443
|
670
|
| DPM 4050 DPM 4068
|
58
|
50
|
98
|
12
|
11
|
76
|
2.5
|
19
|
3
|
SS 40
|
40
|
42.4
|
37.5
|
20
|
1500
|
3200
|
480
|
830
|
9.8
|
|
68
|
673
|
970
|
| DPM 4555 DPM 4575
|
64
|
55
|
104
|
12
|
11
|
80
|
2.5
|
21.5
|
3
|
SS 45
|
45
|
47.7
|
42.1
|
20
|
1500
|
3200
|
680
|
980
|
12.4
|
|
75
|
927
|
1110
|
| DPM 5060 DPM 5080
|
68
|
60
|
109
|
12
|
11
|
85
|
2.5
|
24
|
3.5
|
SS 50
|
50
|
53.0
|
46.8
|
20
|
1500
|
3200
|
910
|
1080
|
15.4
|
|
80
|
1220
|
1290
| |
|
|
|
¢º½ºÇöóÀÎ³ÊÆ®-
DPÇü
|
|

|
|

|
|
|
|
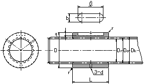
| ½ºÇöóÀÎ ³ÊÆ® ȣĪÇü¹ø
|
¿ÜÇüÄ¡¼ö |
½ºÇöóÀÎ³ÊÆ® Ä¡¼ö |
½ºÇöóÀÎ Ãà ȣĪÇü¹ø
|
½ºÇöóÀÎºÎ»ó¼¼ |
Ç¥ÁØÃà ±æÀÌ |
ÃÖ´ëÃà ±æÀÌ
|
µ¿ÀûÇã¿ë Åä¿ÀÅ© T N· m
|
½ºÇöóÀÎ ³ÊÆ®Áú·® g
|
½ºÇöóÀÎ ÃàÁú·® kg/m
|
| ¿Ü°æ
|
L
|
ŰȨ Ä¡¼ö
|
d
|
r
|
ÇÇÄ¡°æ D0
|
´ë°æ Dk
|
¼Ò°æ Dr
|
Ä¡¼ö Z
|
| D
|
Çã¿ëÂ÷ h9
|
b
|
Çã¿ëÂ÷ N9
|
t
|

|
| DP 12
|
22
|
|
22
|
4
|
|
2
|
16
|
1.5
|
1
|
SS 12
|
12
|
12.8
|
10.9
|
16
|
1500
|
1500
|
19.6
|
40
|
0.9
|
| DP 15
|
22
|
22
|
4
|
2
|
16
|
1.5
|
1
|
SS 15
|
15
|
16.1
|
13.5
|
16
|
1500
|
2000
|
33.3
|
30
|
1.4
|
| DP 17
|
28
|
26
|
5
|
2.5
|
18
|
1.5
|
1
|
SS 17
|
17
|
18.2
|
15.4
|
16
|
1500
|
2000
|
48.0
|
65
|
1.7
|
| DP 20
|
32
|
|
31
|
7
|
|
2.5
|
22
|
1.5
|
1
|
SS 20
|
20
|
21.5
|
18.3
|
16
|
1500
|
3200
|
77.5
|
100
|
2.5
|
| DP 25
|
36
|
40
|
7
|
2.5
|
26
|
2
|
1
|
SS 25
|
25
|
26.9
|
22.6
|
16
|
1500
|
3200
|
169
|
135
|
3.8
|
| DP 30
|
44
|
45
|
10
|
4
|
32
|
2
|
1.5
|
SS 30
|
30
|
31.8
|
28.2
|
20
|
1500
|
3200
|
238
|
230
|
5.5
|
| DP 35
|
52
|
|
49
|
12
|
|
4.5
|
40
|
2.5
|
1.5
|
SS 35
|
35
|
37.1
|
32.8
|
20
|
1500
|
3200
|
362
|
360
|
7.5
|
| DP 40
|
58
|
57
|
15
|
5
|
42
|
3
|
1.5
|
SS 40
|
40
|
42.4
|
37.5
|
20
|
1500
|
3200
|
547
|
510
|
9.8
|
| DP 45
|
64
|
62
|
15
|
5
|
48
|
3
|
1.5
|
SS 45
|
45
|
47.7
|
42.1
|
20
|
1500
|
3200
|
767
|
640
|
12.4
|
| DP 50
|
68
|
67
|
15
|
5
|
52
|
3.5
|
1.5
|
SS 50
|
50
|
53.0
|
46.8
|
20
|
1500
|
3200
|
1020
|
710
|
15.4
| |
|
|
| TEL: 02-2683-4825-6
FAX: 02-6679-4827 Email : bearing@yuilbearing.com Copyright
¨Ï Yuil FA System Co.,Ltd. |